| Sign In | Join Free | My tjskl.org.cn |
|
Brand Name : SCED
Model Number : TR-50N-04VP-A3
Certification : CE, UL, CUL, VDE, CQC etc.
Place of Origin : Guangdong China
MOQ : 500 Piece/Pieces
Price : USD 1-1.78 Per Pcs
Payment Terms : T/T, L/C
Supply Ability : 1000000 Pole/Poles per Month
Delivery Time : 5-20 days
Packaging Details : Packaging Details: Standard export packing carton, or according to customers demand; Normally, one master carton packs 16 inner boxes inside, but some items maybe different due to the products dimensions. Standard Master Carton Dimension: 341 x 273 x 198
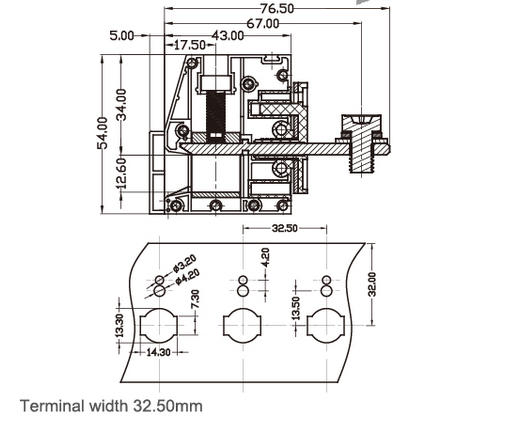
Terminal Width : 32.5mm
Volt : 600V
Current : 150A
Plastic : PA66
Type : Through panel
Screw : Steel
Conduction Board : Copper
Inflammability Class : UL94 V0
Rated Surge Voltage : No abnormal within 1 minute
Insulation Resistance : Above DC500V, 500MΩ
Copper Through Panel Terminal Blocks PA66 UL94 V0 Steel Tin Plated
Detailed product Description:
Pitch 32.5mm, 600V 150A, 2P-24P, Through Panel Terminal Blocks / Feed-Through Terminal Blocks / Bulkhead connectors
■Right angle wire inlet; □Vertical wire inlet; □45 degree wire inlet
■Single Deck; □Double decks; □Triple decks
Standard color: Grey. Other colors also available.
Applications:
PCB, Frequency Converters, Server Site, Switch, Power Supply, Electric Lighting, Industry Control, Automation, Rail Transportation, Communication, Electric Power, Security, Medicine Equipment, Military, Elevator, etc..
Parameter and Drawing Specifications:
| UL Technical Data | B | C | D |
| Rated Voltage / Current V/A | 600 / 150 |
| 600 / 5 |
| Wire Range AWG | 6-1/0 |
| 6-1/0 |
| IEC Technical Data |
| ||
| Overvoltage Category | Ⅲ | Ⅲ | Ⅱ |
| Contamination Class | 3 | 2 | 2 |
| Rated Voltage / Current V/A | 830 / 150 | 1000 / 150 | 1000 / 150 |
| Rated Surge Voltage KV | 8 | 8 | 8 |
| Rated Connecting Capacity mm2 | 50 | ||
| Material |
| ||
| Insulation Material / Inflammability Class | PA66 / UL94, V-0 | ||
| Clamp Cage / Plating | Steel / Nickel Plated | ||
| Conduction Board / Plating | Copper / Nickel Plated | ||
| Screw / Plating | Steel / Zinc Plated | ||
| Other Data |
| ||
| Stripping Length mm | 24 | ||
| Screw / Torque / lbf.in | M6 / 38-40 | ||
Competitive Advantage:


|
|
Copper Through Panel Terminal Blocks PA66 UL94 V0 Steel Tin Plated Images |